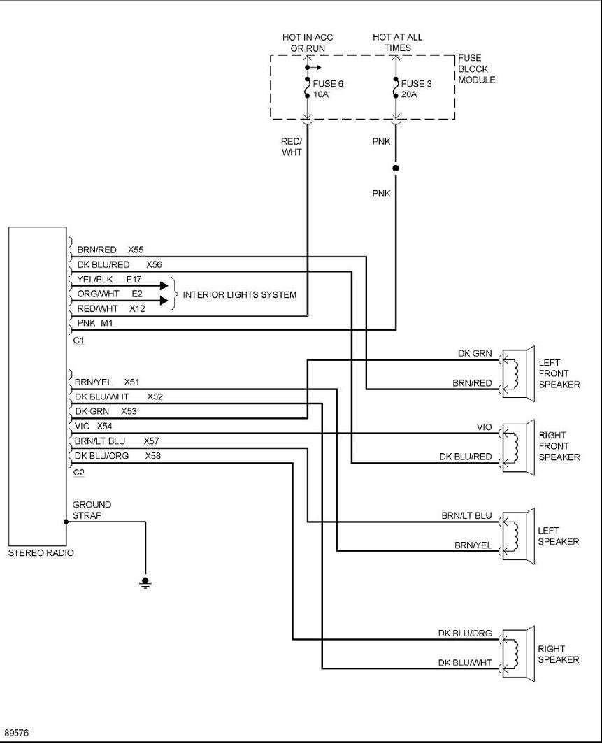
2005 Chrysler Sebring Radio Wiring Diagram

Get 2005 Chrysler Sebring Radio Wiring Diagram
Gif
. For the chrysler sebring sedan, chrysler sebring convertible, chrysler sebring coupe 2001, 2002, 2003, 2004, 2005, 2006, 2007 model year. This is the complete factory service manual for your 2006 chrysler sebring/stratus sedan sebring convertible.

2010 Chrysler Sebring Wiring Diagram - Wiring Diagram and ...
2010 Chrysler Sebring Wiring Diagram - Wiring Diagram and ... from ww2.justanswer.com
Free pdf download for thousands of cars and trucks. Find the chrysler stereo wiring diagram you need to install your car stereo and save time. Your source for chrysler wire information, wiring information, technical help for your new or used vehicle, chrysler, technical wiring diagrams, wire information these chrysler wiring information / aftermarket autostart/alarm technical wiring diagrams are very useful, if not required, for the.

Your sebring's engine code (8th vin character) must be a letter n.

Car radio wire colors car audio wiring free radio wiring diagrams. I need the wiring diagram with colors and pinouts for the power mirror switch, and power mirrors themselves, found in a 2005 chrysler sebring. View and download chrysler sebring 2005 service manual online. Chrysler sebring wiring diagpam 2007.txt.


Belum ada Komentar untuk "2005 Chrysler Sebring Radio Wiring Diagram"

Posting Komentar

Iklan Atas Artikel

Iklan Tengah Artikel 1

Iklan Tengah Artikel 2

Iklan Bawah Artikel