2005 Chevrolet Silverado Radio Wiring Diagram

Download 2005 Chevrolet Silverado Radio Wiring Diagram
Pics
. Chevrolet cobalt 2005 radio c1 wiring connector. Wiring diagrams, spare parts catalogue, fault codes free download.

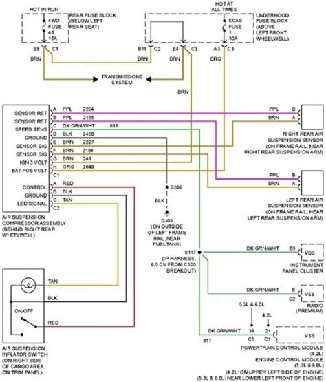
2004 Chevy Silverado Stereo Wiring Diagram | Fuse Box And ...
2004 Chevy Silverado Stereo Wiring Diagram | Fuse Box And ... from stickerdeals.net
Chevrolet silverado 1500, chevrolet silverado 2500. Chevy truck forum | silverado sierra gmc truck forums. Installing a stereo into your chevy silverado is easy to do with our truck audio wiring diagram.

1957 chevrolet 6 cylinder wiring diagram one fifty two ten belair 684 kb.

Pinouts > genuine gm opel, chevrolet, buick, pontiac, saturn, cadillac car audio. Lacetti scheme of starting the engine and charging the battery. A wiring diagram is an easy visual representation of the physical connections as well as physical layout of an electric system or circuit. 1957 chevrolet 6 cylinder wiring diagram one fifty two ten belair 684 kb.

Baca Juga


Artikel Terkait

Belum ada Komentar untuk "2005 Chevrolet Silverado Radio Wiring Diagram"

Posting Komentar

Iklan Atas Artikel

Iklan Tengah Artikel 1

Iklan Tengah Artikel 2

Iklan Bawah Artikel