2005 Dodge Caravan Wiring Diagram Picture

View 2005 Dodge Caravan Wiring Diagram Picture
Pictures
. I took my car to europe and now need to change the taillights to the european version, but the rear turnsignal and brake signal use the same wire. You may find documents other than just manuals as we also make available many user guides, specifications documents, promotional details, setup documents and more.

2004 caravan: heater blower..windshield wipers dont ...
2004 caravan: heater blower..windshield wipers dont ... from i.pinimg.com
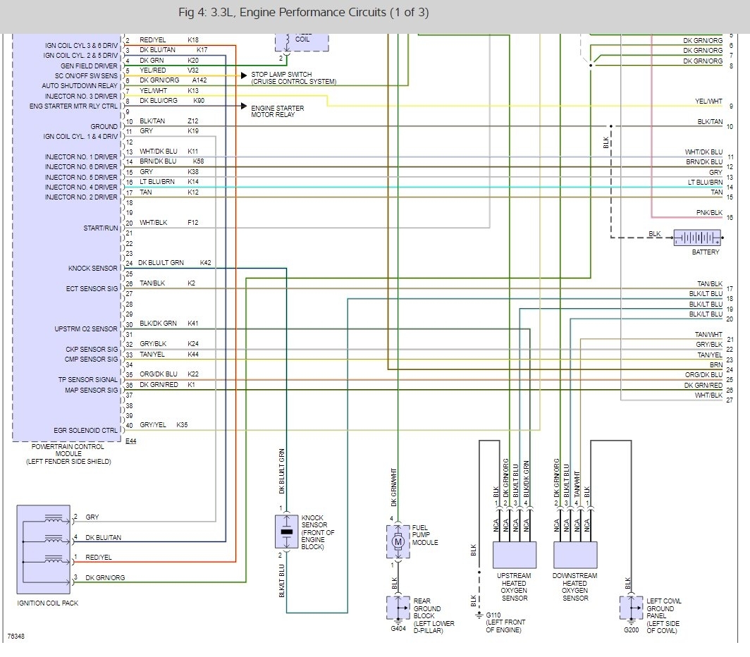
23 dodge car wiring diagrams. Блок предохранителей и реле dodge caravan и grand caravan, chrysler voyager, grand voyager и town & country (2003, 2004, 2005, 2006, 2007). Caravan rear heater wiring diagram.

1996 dodge dakota wiring diagrams.pdf.

Cigar lighter (power outlet) fuse in the dodge caravan is the fuse f6 in the engine compartment fuse box. Looking for a power diagram for fiat ducato 2005 model 244 abs for one with 6 wheel bosch 5.3 buston1962@gmail.com. Dodge ram 2005, wiring diagrams. I took my car to europe and now need to change the taillights to the european version, but the rear turnsignal and brake signal use the same wire.


Belum ada Komentar untuk "2005 Dodge Caravan Wiring Diagram Picture"

Posting Komentar

Iklan Atas Artikel

Iklan Tengah Artikel 1

Iklan Tengah Artikel 2

Iklan Bawah Artikel