2005 Chevy Silverado Backup Light Wiring Diagram

Download 2005 Chevy Silverado Backup Light Wiring Diagram
Pictures
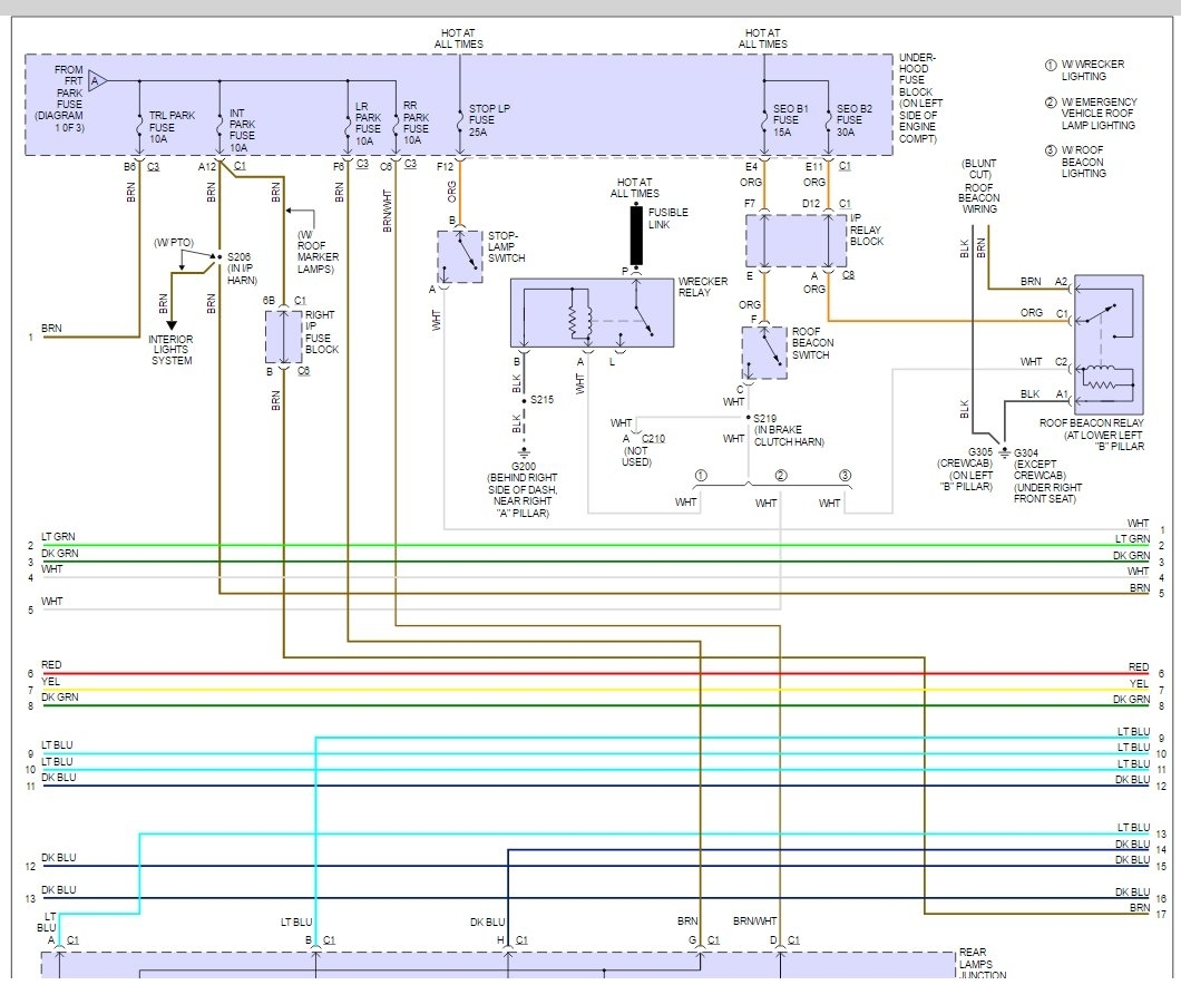
. The taillight wire colors shown in this video may vary on different makes and models, so you'll want to go through the process of verifying the wire color running to each of the tail how to replace brake light bulb, taillight bulb, backup bulb. Here's the headlight wiring diagram for a chevrolet silverado with drl.

31 Chevy Tow Mirror Wiring Diagram - Wiring Diagram List
31 Chevy Tow Mirror Wiring Diagram - Wiring Diagram List from ww2.justanswer.com
Pdf documents that include descriptions and operation information on the body control system, datalink comm, bcm, headlamp, trailer wiring, brake control, junction. I am installing a dvd navigation system with xm tuner bluetooth adapter, and a backup camera. Chevrolet silverado 1500, chevrolet silverado 2500.

My brake lights work on the truck but they do not work on the right side of the trailer plug on the truck.

There are several generations of this popular chevy truck, and today i'll be showing. S10, jimmy, blazer, sierra, silverado, sonoma and many more. I need a wiring diagram for a 2008 chevy equinox. Here's the headlight wiring diagram for a chevrolet silverado with drl.


Belum ada Komentar untuk "2005 Chevy Silverado Backup Light Wiring Diagram"

Posting Komentar

Iklan Atas Artikel

Iklan Tengah Artikel 1

Iklan Tengah Artikel 2

Iklan Bawah Artikel