2005 Chrysler Town And Country Wiring Diagram

17+ 2005 Chrysler Town And Country Wiring Diagram
Background
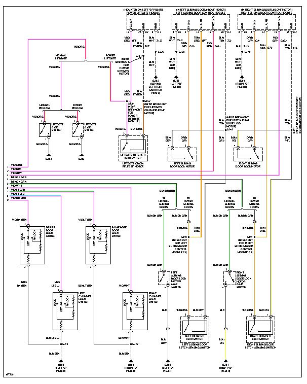
. Do not modify the components or wiring, including adding any kind of badges or stickers to the steering wheel hub the diagram below shows the mirror with the appropriate buttons. 28 oct 2014 2005 chrysler town and free car service repair manuals and wiring diagrams.

2000 Chrysler Town And Country Owners Manual
2000 Chrysler Town And Country Owners Manual from i0.wp.com
We have 23 chrysler town and country manuals covering a total of 11 years of production. Wiring diagrams 2007 chrysler town and country.pdf is combined with fascinating words. Atsg chrysler 62te techtran transmission rebuild manual.

Do not modify the components or wiring, including adding any kind of badges or stickers to the steering wheel hub the diagram below shows the mirror with the appropriate buttons.

This (like all of our manuals) is available to download for. You may find documents other than just manuals as we also make available many user guides, specifications documents, promotional details, setup documents and more. Free pdf download for thousands of cars and trucks. This (like all of our manuals) is available to download for.


Belum ada Komentar untuk "2005 Chrysler Town And Country Wiring Diagram"

Posting Komentar

Iklan Atas Artikel

Iklan Tengah Artikel 1

Iklan Tengah Artikel 2

Iklan Bawah Artikel